Pneumatic Actuator Operated Butterfly Valve
Supported by expert professionals and known as top pneumatic actuator operated butterfly valve supplier, manufacturer and exporter, we are able to supply wide range of pneumatic actuator operated butterfly valve to our valuable customers. We manufacture these pneumatic actuator operated butterfly valve using best quality raw materials procured from leading vendors of the market. Our products are made in our automatic manufacturing plants with the help of modern machineries and latest technologies. Further in order to provide only best material, they are checked by our quality experts on various parameters. Due to their effective performance, durability, sturdiness and reliability, our each product is highly demanded in the market. We make available our products in various shape, size and other specifications as demanded by customer.
- Precise Regulating with High Flow Capacity
- Large type of trim Top Operating designs for various duty conditions
- Wide Range of actuators to meet different application
- In Line Repairable Design for easy maintenance
- Multy action type Actuator (Direct / Reverse acting)
- Tight closure even in extreme operating conditions
Product Description
Size Range: 1/2" to 40"
Actuator
| Type | Rack and Pinion Type |
| Actuation | Double Acting / Single Acting (Spring Return) |
| Mounting Std. | ISO 5211 An International Standard |
| Pneumatic Connections | NAMUR Standard |
Valve
| Body | I.C./ CI (IS 210 Gr. FG 200 / 220) WCB / S.S. 304 / S.S. 316 |
| Disc | CF8 / CF8M / CF3M / S.G. Iron / Teflon Coated / Powder Coated” Nylon Coated / Rubber Line |
| Seat | EPDM / Nitrile / Hayplon / Viton / Moulded or Replaceable muffler type |
| Shaft | AISI 410/CF8 / CF8M / CF3M |
| Valve Type | Centric Disc Butterfly Valve with a single piece rubber lined body |
| Body Type | Short wafer (sandwiched between flanges) |
| Seat Type | Integrally moulded with the body |
| End Connection | Wafer Sandwiched (Lug Type On Request) |
| Pressure rating | PN 10 /PN 16 (On Request) |
| Oper. Temp. range | -25 C to 130 C (depending on MOC) |
| Seat Leakage | Tight shut off |
| Operation | Hand leaver for sizes from 40 mm to 350 mm Worm gear boxes for 40 mm to 1000 mm |
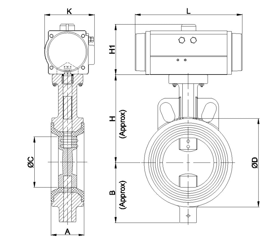
| SIZE | A | B | OC | OD | H | L | H1 | K | Approx | |
| MM | IN. | Weight | ||||||||
| 40 | 1.1/2″ | 33 | 60 | 38 | 80 | 105 | 136.3 | 92 | 62 | 2.200 |
| 50 | 2″ | 43 | 60 | 48 | 90 | 115 | 168 | 101.5 | 72.5 | 3.000 |
| 65 | 2.1/2″ | 46 | 65 | 63 | 105 | 120 | 168 | 101.5 | 72.5 | 3.600 |
| 80 | 3″ | 46 | 75 | 76 | 122 | 130 | 168 | 101.5 | 72.5 | 4.200 |
| 100 | 4″ | 52 | 92 | 100 | 147 | 150 | 217 | 114 | 84.5 | 6.100 |
| 125 | 5″ | 56 | 105 | 125 | 175 | 155 | 232.5 | 127 | 93.5 | 8.200 |
| 150 | 6″ | 56 | 120 | 150 | 200 | 175 | 271 | 135 | 105 | 10.850 |
| 200 | 8″ | 60 | 150 | 201 | 255 | 205 | 293 | 152 | 122 | 16.600 |
| 250 | 10″ | 68 | 190 | 240 | 320 | 255 | 405 | 181 | 149 | 32.450 |
| 300 | 12″ | 78 | 225 | 290 | 375 | 285 | 487 | 322 | 226 | 35.450 |